EN

0512-55176108

致力于为客户提供
定制化可靠的产品开发和生产

  • 电话:

    0512-55176108

    座机:

    0512-55176108

    邮箱:

    0512-55176108

    地址:

    昆山开发区郭石路585号3号房

为了您的隐私和安全,我们将严格保密您的信息*

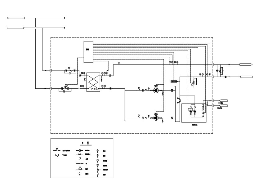
水水工艺换热机组
http://www.kinwater.cn/data/images/product/20240814164300_802.jpg
http://www.kinwater.cn/data/images/product/20240814164300_844.jpg
http://www.kinwater.cn/data/images/product/20240814164301_381.jpg

水水工艺换热机组(单板换定压一体机)

产品介绍

板式换热机组由板式换热器、循环水泵、稳压泵、温控装置、过滤器、阀门、仪表及控制柜组合而成。

具有结构紧凑、占地少、效率高、噪声低等优点。

简化和加快供热工程的设计及施工安装进度。


系统原理图

1.jpg

产品三维图

2.jpg

相关产品
首页 产品中心 电话咨询 留言

电话咨询

0512-55176108

微信咨询

二维码

微信咨询

在线咨询

TOP